- Огляд товару
- Характеристики
- Питання (0)
- Відгуки (0)
- Рекомендовані товари
- Наявність: В наявності
- Наявність: В наявності
- Код товару st-03258
- Огляд товару
- Характеристики
- Питання (0)
- Відгуки (0)
- Рекомендовані товари
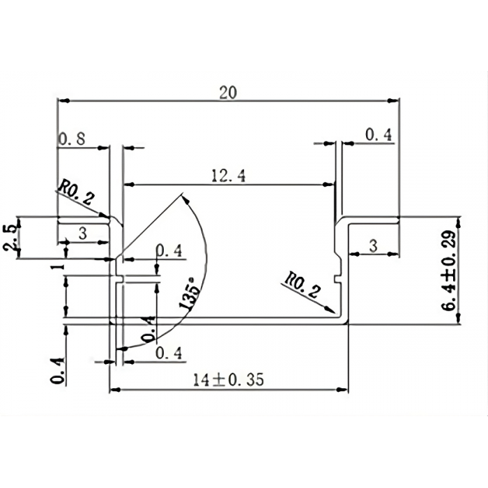
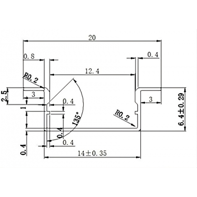
Врізний світлодіодний профіль анодованого типу довжиною 2 метри (*ціна вказана за 1 метр), який підійде для прокладання LED смуг як усередині, так і зовні приміщень. Профіль призначений для монтажу світлодіодного підсвічування в рівень з поверхнею - без частин розсіювача, що виступають. Для його монтажу необхідно зробити паз на поверхні, що монтується (гіпс, стільниці або полиці), після чого закріпити в ньому сам профіль.
Загалом може використовуватися з метою підсвічування:
- меблів та інших предметів інтер'єру, наприклад дзеркал у ванних кімнатах або шафах-купе;
- рекламних конструкцій;
- вхідних груп, частин фасаду приватних будинків та інших будівель;
- альтанок, терас та різних елементів ландшафтного дизайну.
Цей ЛЕД профіль врізний стійкий до впливу підвищеного рівня вологості, а сучасна технологія лиття забезпечує його механічну міцність та естетично привабливий зовнішній вигляд. Товщина профілю зменшена — але завдяки високоякісному сплаву це забезпечує ту ж саму ефективність тепловідведення при більш легкій конструкції. До даного профілю підходить розсіювач st-02692.
Характеристики:
- Ширина з крильцями - 21 мм
- Ширина монтажу (врізки) - 16 мм
- Внутрішня ширина - 12,2 мм
- Висота - 7 мм
- Ціна вказана за 1 метр.
*Стандартна довжина профілю складає 2 метри. За необхідності різання вартість буде вищою на 20%. Порізаний профіль не підлягає поверненню. Рекомендуємо робити пази під профіль тільки після отримання на руки, оскільки в процесі виготовлення таких виробів можуть виникати деякі похибки в габаритних розмірах. Порізка виконується лише після повної оплати замовлення.
Купити врізний лед профіль для світлодіодної підсвітки у нашому інтернет-магазині можна у будь-якій необхідній кількості з доставкою по всій території України. У каталозі представлені профілі з різним типом розсіювачів, що дозволить підібрати оптимальний варіант залежно від наявних потреб.
!Зверніть увагу. Замовляючи товар через кошик нашого інтернет магазину, ви отримуєте вигіднішу ціну, ніж при замовленні по телефону!
Немає питань про даний товар, станьте першим і задайте своє питання.
- Наявність: В наявності
з передплатою
та 20грн
